In 3D-Druck-Gehäusen wird meist ein Durchbruch für USB-Buchsen, z.B. Zum Laden von Akkus oder zur Kommunikation mit anderen Geräten benötigt. Ich habe mir verschiedene USB-C-Buchsen für die Gehäusemontage aus China schicken lassen und dann die erforderlichen Durchbrüche durch Messen und Probieren ermittelt.

Die Überschriften zu den verschiedenen Teilen klingen sonderbar, aber ich habe einfach die Überschrift oder Teile davon von der Aliexpress Webseite übernommen. So kann man sie ggf. einfach wiederfinden.


Typ-C Weibliche 2Pin Typ-C Buchse Stecker Wasserdichte Jack

Diese Buchse ist wohl am einfachsten einzubauen: Bohrung mit 12mm Durchmesser.


USB 3,1 Typ C Micro USB 2,0 mit Schalttafel einbau Schraube

Hier ein Bild davon:

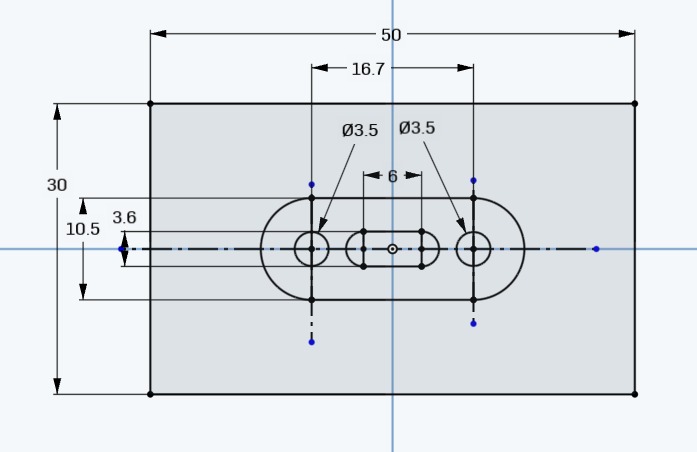
Ich habe die Buchse vermessen und einen Probeentwurf mit Onshape angefertigt. Der funktionierte schon recht gut. Hier sie Skizze von Onshape:

Der ovale Innenteil ist 1,5mm hoch, der restliche Teil (Wand) 3mm.

Allerdings kollidierten die Schraubenköpfe von Flachkopf-Kreuzzschlitzschrauben mit einigen Steckern. Die Köpfe von Schlitzschrauben waren ca. 0,5mm kleiner und passten besser.

Allerdings wären Senkschrauben eleganter. Deshalb habe ich die Bohrungen für die Schrauben testweise angefast.45° und 1mm. Dann ist der Durchmesser oben 5,5mm und das entspricht den gemessenen Größen der Senkschraubenköpfe:

Perfekt mit M3x6 Kreuzschlitz-Senkkopfschrauben! Die Schraubenköpfe schließen bündig ab.


Du musst eingeloggt sein um eine Antwort hinterlassen zu können.